《工业门》国家标准图集起草单位
服务热线:
400-699-3258
15062688099
开云(中国)
防爆卷帘门
防火卷帘门
柔性大门
产品中心
应用案例
开云网页版登录入口
关于新恒邦
联系我们
热门关键词:
防爆卷帘门
防火卷帘门
钢质隔热防火卷帘门(欧标)
柔性大门
抗风卷帘门
抗爆卷帘门
工业提升门
硬质快速卷帘门
防弹卷帘门
您的位置:
开云(中国)
>
资质认证
>
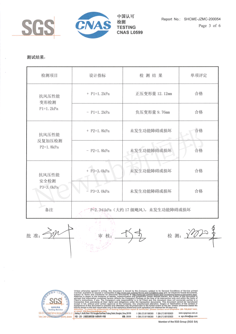
抗台风卷帘门SGS检测报告
关于新恒邦
公司环境
团队展示
生产车间
资质认证
专利证书
联系新恒邦
在线留言
抗台风卷帘门SGS检测报告
在线咨询
服务热线
400-699-3258
QQ咨询
微信扫一扫
返回顶部
千亿网站登录
|
赢博
|
MK手机站·官方版在线
|
心博足球体育
|
众博官方网址
|
英亚网页版登录入口
|
kok(中国)体育官方网站
|
千亿球友会(中国)官方网站
|
开云手机官方网站
|